Construction Hydraulic Cylinder Maintenance Machine
Multi-model compatibility:
It can be disassembled/assembled with different types of hydraulic support columns, jacks and other large threaded connectors to meet the diverse needs of mines
Precise torque control:
Constant torque tightening technology is used to ensure the firmness of the threaded assembly and avoid equipment failure caused by overtightening or loosening.
Efficient locking mechanism:
Self-positioning locking design: replace the traditional hydraulic clamping, simplify the structure, reduce the failure rate, and operate conveniently and with high reliability.
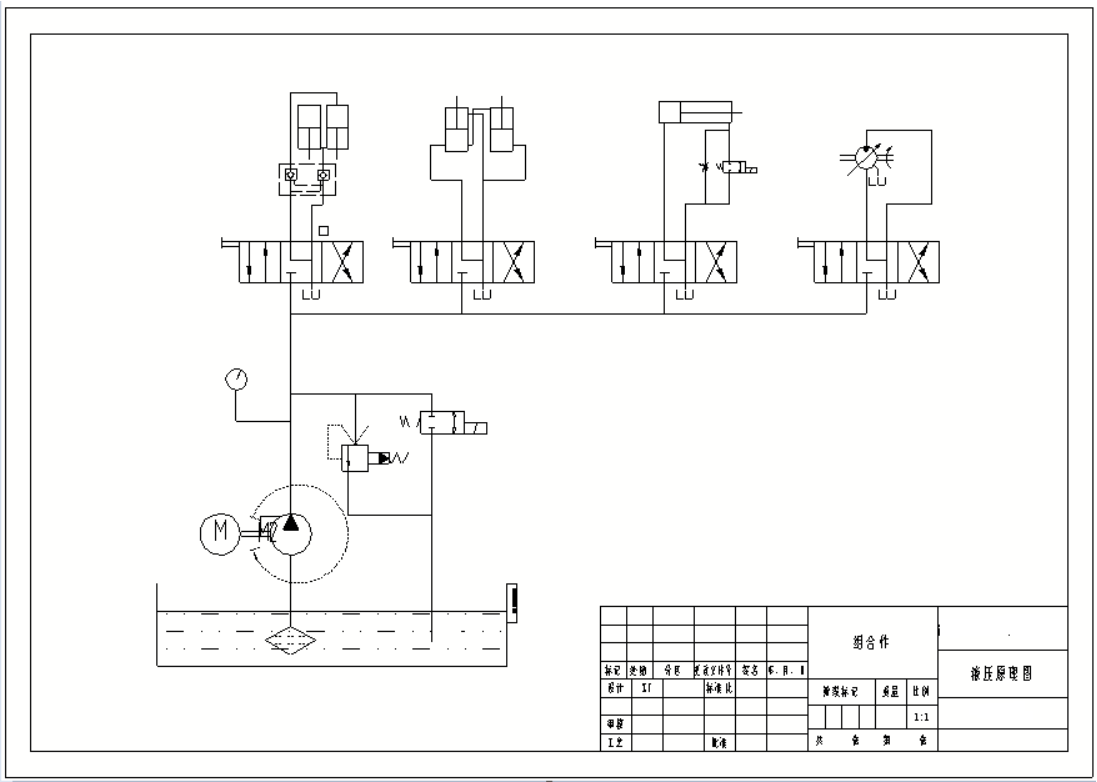
Safety hydraulics:
The use of mining emulsion as the medium is compatible with the mine's existing pumping station (the pumping station is designed to be separated from the main engine) and reduces maintenance costs.
The hydraulic components are made of common parts for mining, which is easy to replace and repair quickly
Multiple electrical protections:
Integrated overload, short circuit, and loss of voltage protection functions to ensure operation safety and equipment stability
The core structure of the device can be divided into the following functional modules:
Fuselage Frame - as the supporting foundation of the whole machine, to ensure the stability of operation and structural strength.
Clamping and Sliding Mechanism - integrated self-positioning locking function realizes fast clamping and axial displacement adjustment of the workpiece.
Power Transmission Unit - including hydraulic motor, connecting pulley and chuck, forming a torque transmission chain, driving thread disassembly and assembly.
Chuck Assembly - multi-specification adaptation design, directly clamping the column or jack to ensure rotation concentricity.
Hydraulic Control Module – the liquid supply (emulsion medium) is supplied through the pumping station, and the motor speed and output torque are adjusted.
Electrical Control Box - integrated protection circuit, management of equipment start-stop, operating parameters and fault diagnosis.
It can disassemble various types of hydraulic support columns and jacks that are firmly assembled with threads.
2. The fixed button torque is tightened and assembled, and various types of hydraulic supports, large columns and jacks are firmly assembled with threads.
3. Disassemble and spin on various large threaded connection components.
4. The self-positioning locking mechanism replaces the original hydraulic clamping mechanism, which has simple structure, convenient operation and reliable operation.
5. The hydraulic medium is mine emulsion, and the pumping station is separated from the main engine.
6. The hydraulic parts are made of general mining parts for maintenance and replacement.
7. The electrical control has the protection of overload, short circuit, loss of voltage, etc. To put it another wayTechnical parameters:
Hydraulic Drive Motor
18.5KW -4 stage
Motor Disassembly Torque
30000N.m
Total Flow of Hydraulic Motor
56L/min
Pumping Station Pressure
31.5Mpa
Motor Working Pressure
25Mpa
Afterburner Torque
300000N.m
Maximum Thrust of The Clamping Cylinder
265KN
Maximum Pulling Force
180KN
Disassemble The Bore
50-500
Translational Cylinder Stroke
2100mm
Secondary Cylinder Clamping
V-shaped tooth plate clamping
How it Works
Control valve/button electric control/remote control
Dimensions
7000×2400×1700mm
Product configuration:
Name
Model
Quantity
Motor
18.5KW
1 unit
Hydraulic Motor
HZKY-01-001
1 unit
Oil Pump
HZKY-01-002
1 unit
Control Valves
HZKY-01-003
8 groups
Afterburner Cylinders
HZKY-01-004
2 pcs
Tighten Up Left and Right
HZKY-01-005
2 pcs
Auxiliary Cylinders
HZKY-01-006
1 pc
High-pressure Hose
34 articles
Precautions for the dismantling process:
In the process of dismantling, the surface of the parts should be well protected from injury, and the parts in contact with the precision workpiece should have leather pads and other protective devices.
When disassembling the guide bushing, the system pressure must be unloaded first, and then the pressure valve must be slowly adjusted to increase the pressure until it can rotate. And do not rotate directly under high pressure to prevent damage to the workpiece and threads.
The hydraulic motor in the system can reach the rated torque at 20Mpa pressure, and the ratchet pendulum can reach 120,000 Nm at 16Mpa pressure. Never use it with overpressure.
Patent Certificate:




